我要收藏
公共资源调用站点
文章分享
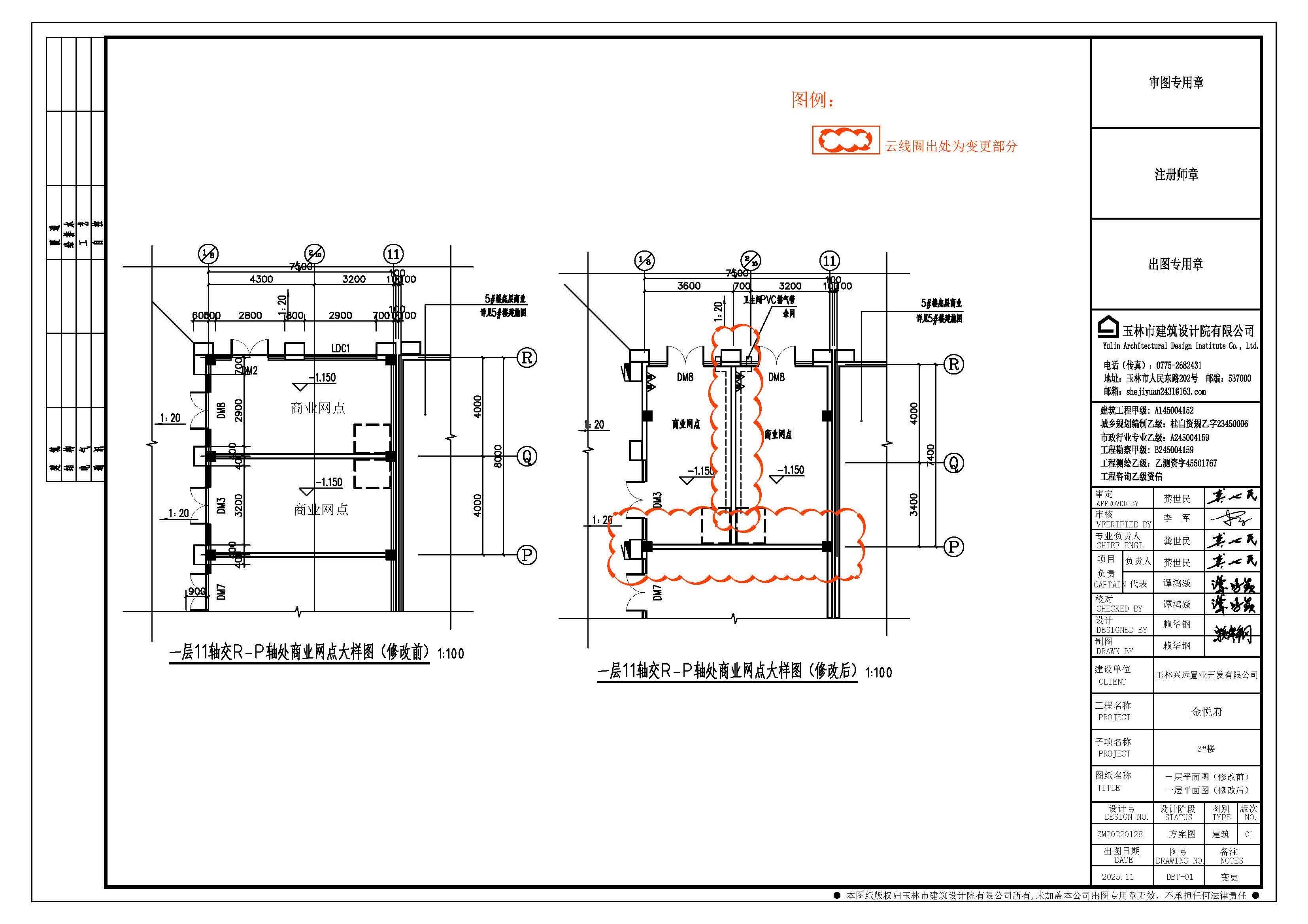
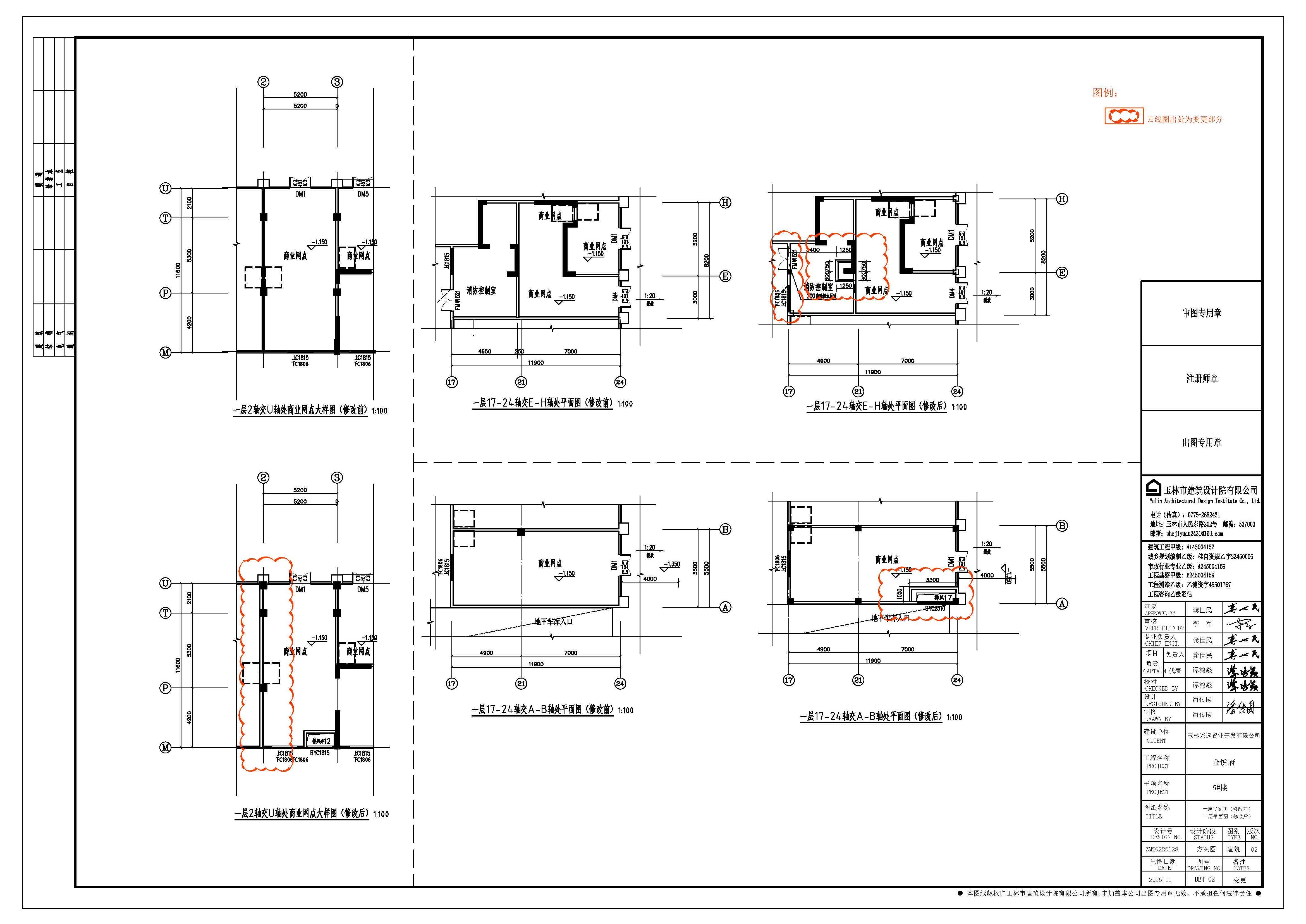
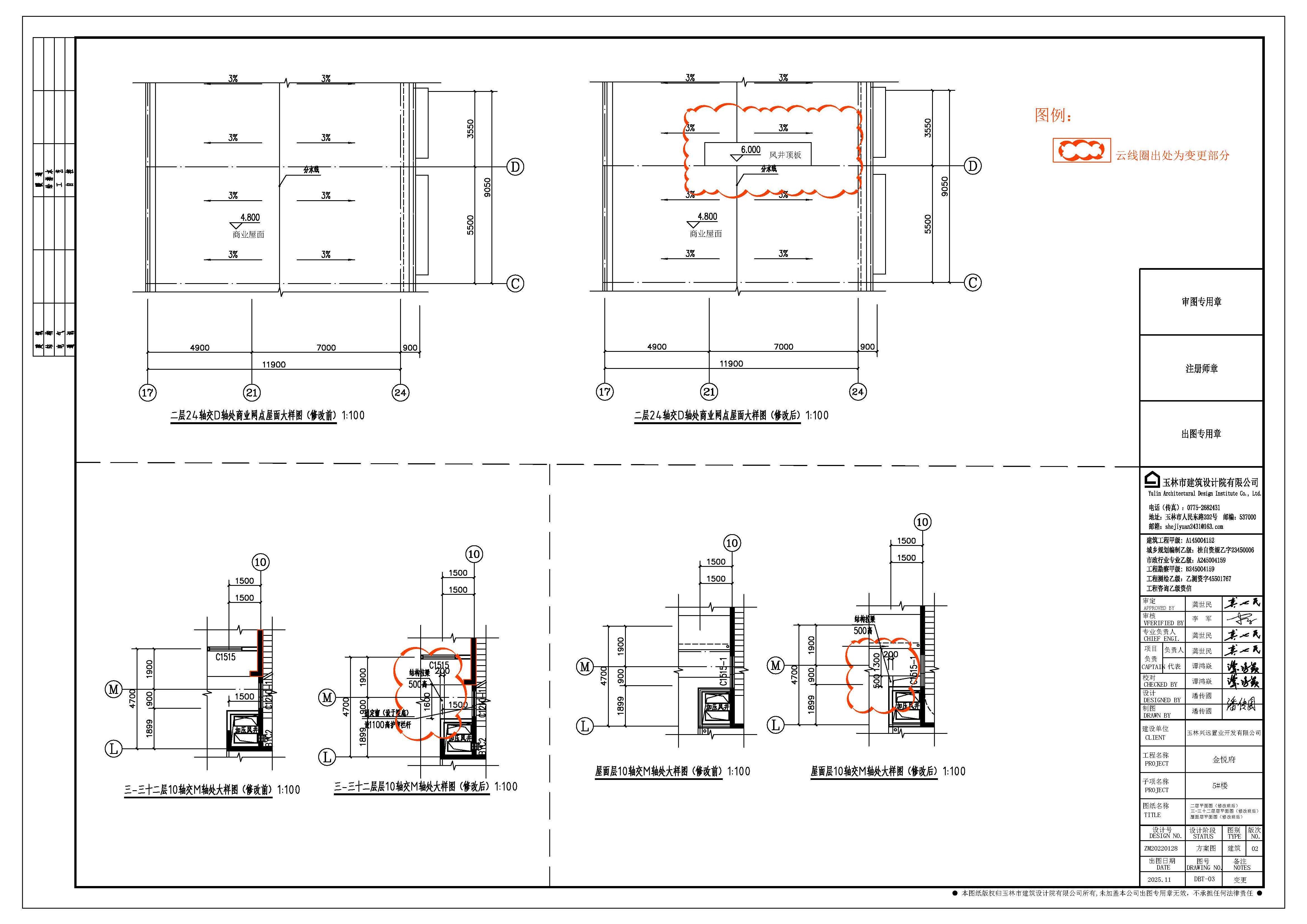
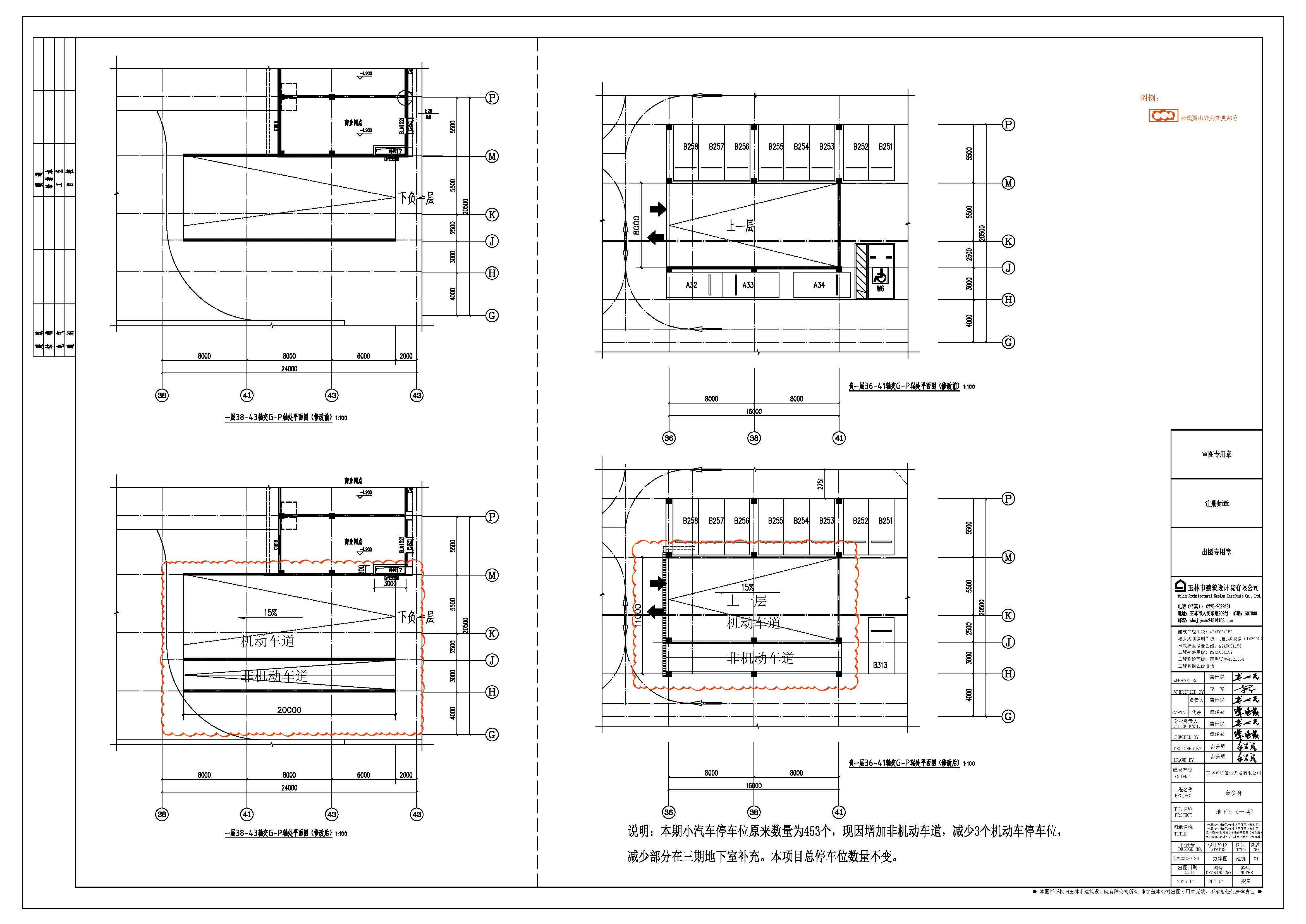
玉林兴远置业开发有限公司申请修改金悦府项目3#楼、5#楼、地下室工程规划方案,按相关法律法规的规定,为保证相关利害关系人的知情权、监督权,我部对该公司开发建设的位于玉林市玉东新区玉东大道与金榜路交叉口南侧用地内的金悦府项目3#楼、5#楼、地下室工程规划方案进行公示,公示内容如下:
一、工程规划变更主要内容(详见附图)
调整3#楼、5#楼、地下室平面规划,调整后满足规划条件要求。
二、公示时间及公示地点
公示时间:2025年12月4日至2025年12月12日
公示地点:金悦府项目现场、规划建设和应急管理部公示栏(玉林高新技术产业开发区税务局办公楼1楼)、玉林市玉东新区政务服务中心公示栏及玉林市玉东新区政府网。
三、公众参与
为体现规划审批的公开性和透明性,我部对本次规划方案给予公示。如您对本次规划申请报批的方案有不同意见和异议,请于2025年12月12日前将意见以书面形式(署以真实姓名、联系方式等,并说明理由和原因)递交我部,利害关系人可依法书面向我部申请听证。意见反馈地址:玉林高新技术产业开发区税务局办公楼规划建设和应急管理部5楼规划股,电子信箱:YLYDGJJ@163.com,联系电话:0775-2671803。
四、附图
金悦府3#楼、5#楼、地下室工程规划图纸调整前后对比图




备注:因机构改革,原玉林市玉东新区建设局已更名为广西玉林高新技术产业开发区管理委员会规划建设和应急管理部。
广西玉林高新技术产业开发区管理委员会
规划建设和应急管理部
2025年12月4日
文件下载:
关联文件: